91530238100
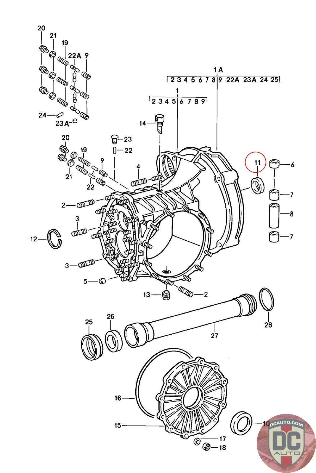
SHAFT SEALING RING G 733 7575 >> G 723 0507 >> G 783 0838 >>, SUPERSEDED TO 99911328340, 99911332740
915 302 381 00 [-1980] [SC]
SELECT
PART NO
91530238100
DESCRIPTION
New
CONDITION
NEW - OEM
PRICE
$20.00
QTY
Available: 2
91530238100
New
NEW - OEM
$
20.00
Available: 2