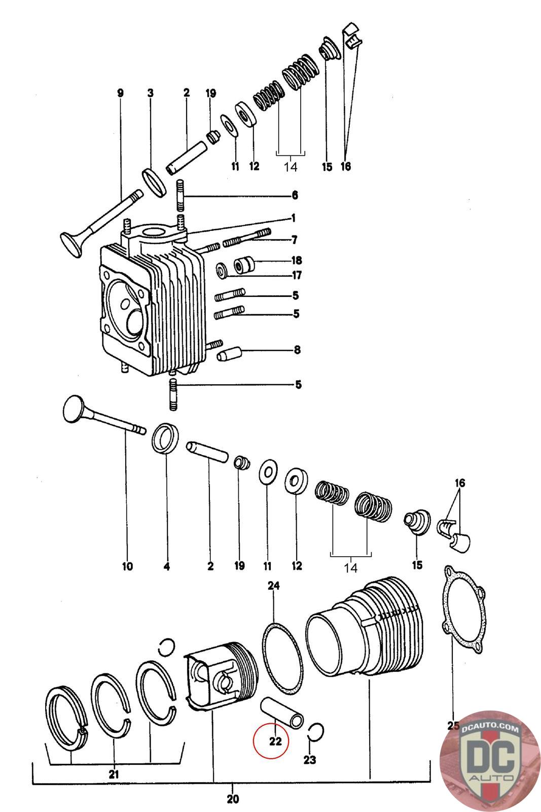
91110336700
PISTON PIN - SCHMIDT
911 103 367 00 [911S/Carrera 2.7]
SELECT
SERIAL #
58122
DESCRIPTION
-
CONDITION
USED - X
MILEAGE
-

58122
-
USED - X
-
