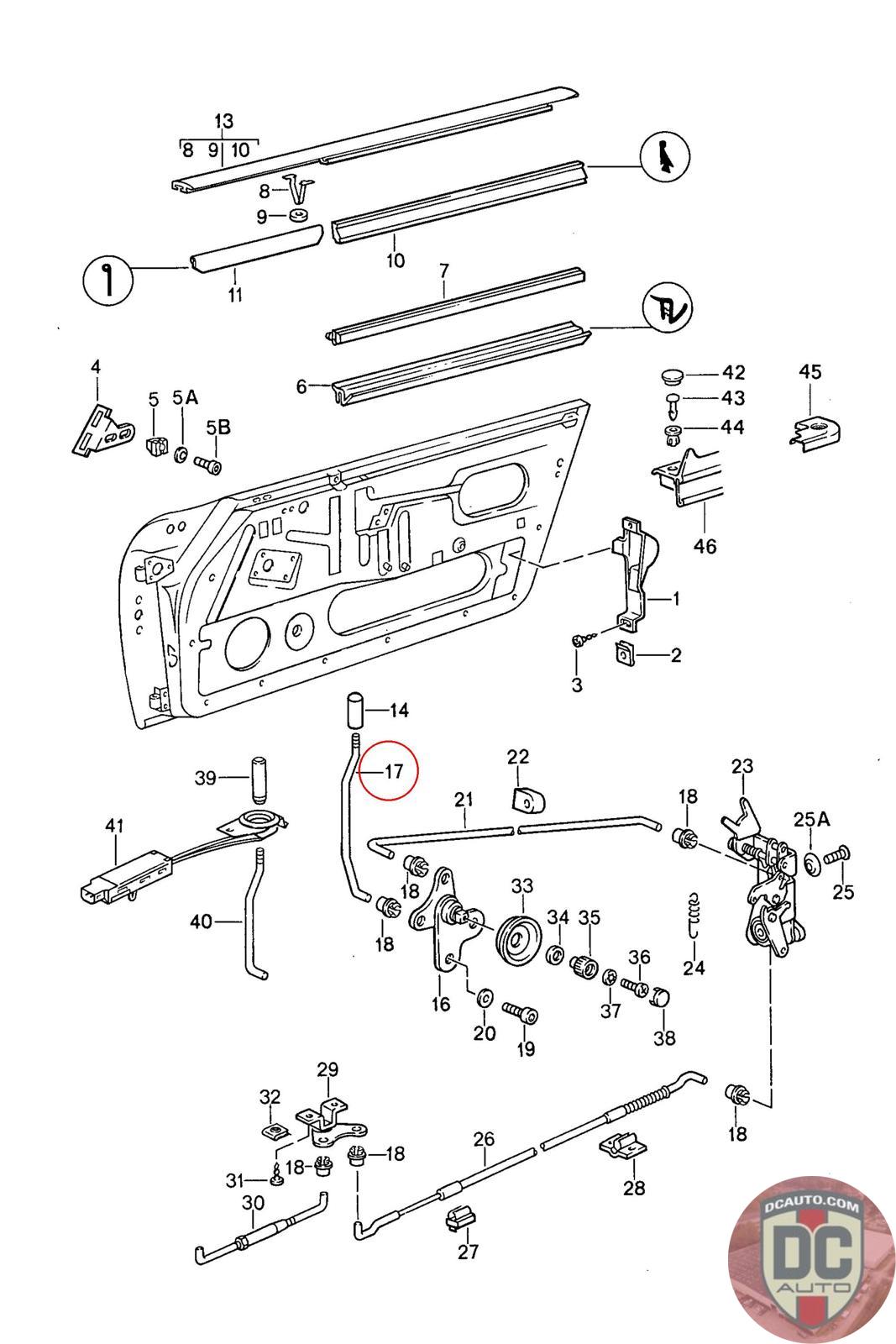
91153170701
ROD FOR PUSH-BUTTON
911 531 707 01 [/L 85-]
SELECT
SERIAL #
94059
DESCRIPTION
Good used
CONDITION
USED - A
MILEAGE
-
PRICE
$15.00
$20.00
QTY
Available: 1
94059
Good used
USED - A
-
$
15.00
On Sale! $20.00
Available: 1
SELECT
SERIAL #
59105
DESCRIPTION
-
CONDITION
USED - X
MILEAGE
-
PRICE
$15.00
$20.00
QTY
Available: 999
59105
-
USED - X
-
$
15.00
On Sale! $20.00
Available: 999