61610113255
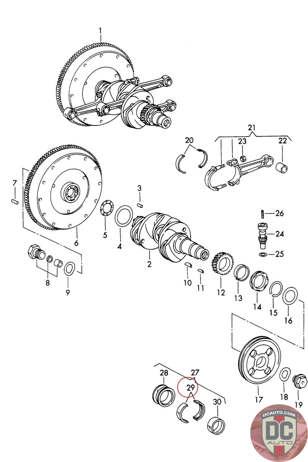
BEARING SHELL II-III UNDERSIZED 0.50MM
616 101 132 55
SELECT
PART NO
61610113255
DESCRIPTION
Note this is a special order item, delivery estimate 1-2 weeks.
CONDITION
NEW - GENUINE PORSCHE
MANUFACTURER
-
61610113255
Note this is a special order item, delivery estimate 1-2 weeks.
NEW - GENUINE PORSCHE
-