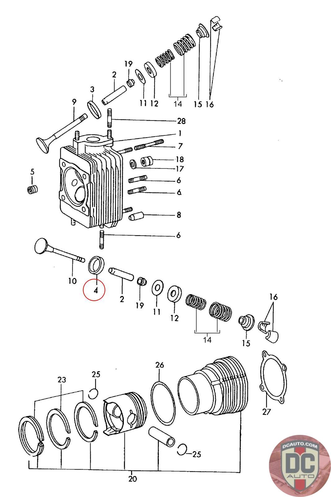
90110431650
VALVE SEAT FOR EXHAUST, OVERSIZE, SUPERSEDED TO 90110431652, 90110431653
901 104 316 50 [-1968] [911/L]
SELECT
SERIAL #
56922
DESCRIPTION
-
CONDITION
USED - X
MILEAGE
-
PRICE
$19.52
$26.03
QTY
Available: 999
56922
-
USED - X
-
$
19.52
On Sale! $26.03
Available: 999