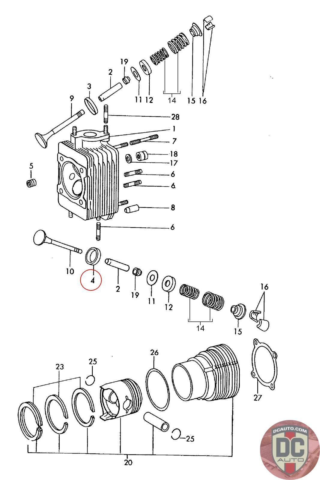
90110431551
VALVE SEAT FOR EXHAUST, OVERSIZE, SUPERSEDED TO 90110431552, 90110431553
901 104 315 51 [1969-] [911S]
SELECT
SERIAL #
56921
DESCRIPTION
-
CONDITION
USED - X
MILEAGE
-
PRICE
$16.27
$21.69
QTY
Available: 999
56921
-
USED - X
-
$
16.27
On Sale! $21.69
Available: 999