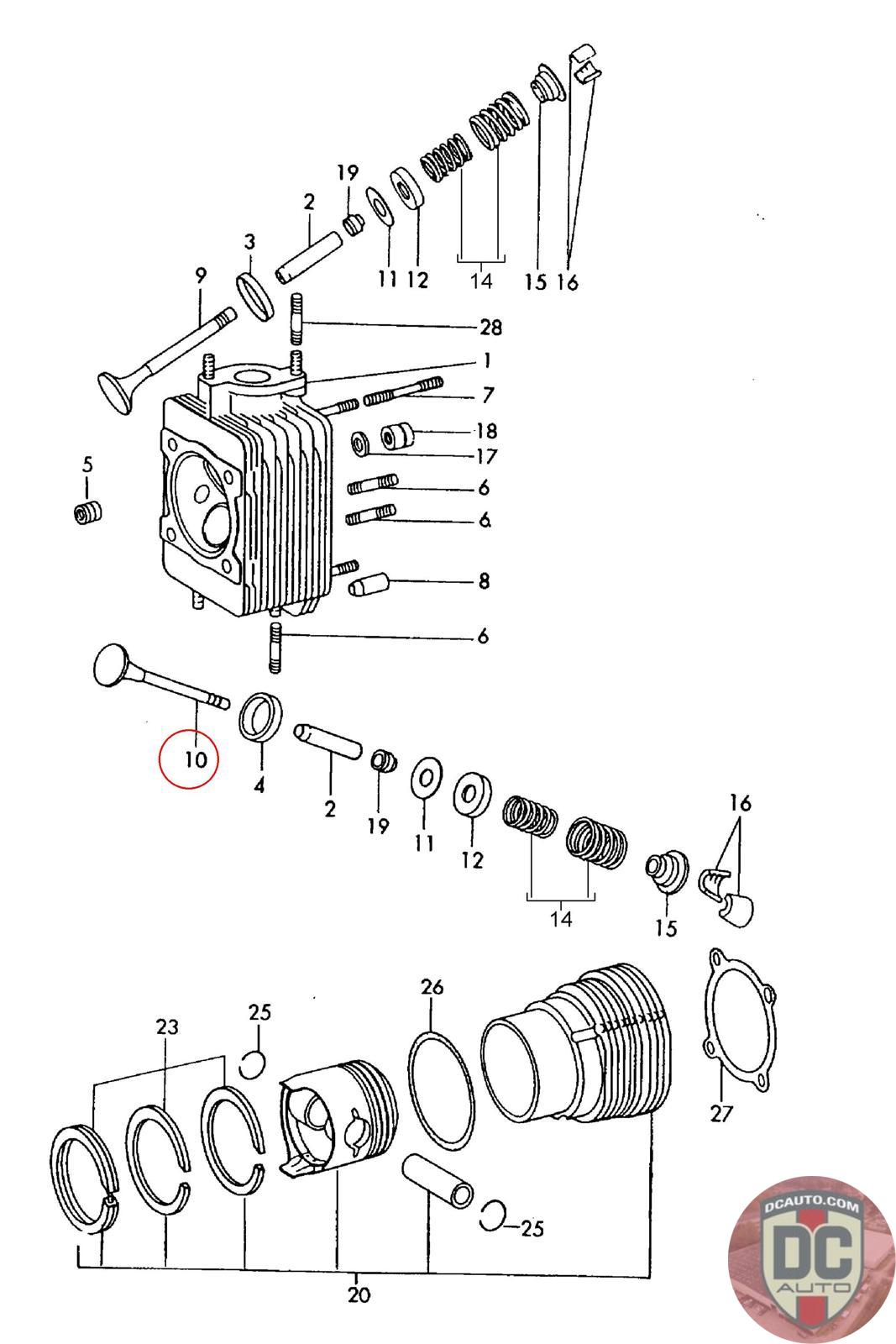
90110541550
EXHAUST VALVE
901 105 415 50 [1969-] [911S]
SELECT
SERIAL #
56950
DESCRIPTION
-
CONDITION
USED - X
MILEAGE
-
PRICE
$33.75
$45.00
QTY
Available: 999
56950
-
USED - X
-
$
33.75
On Sale! $45.00
Available: 999