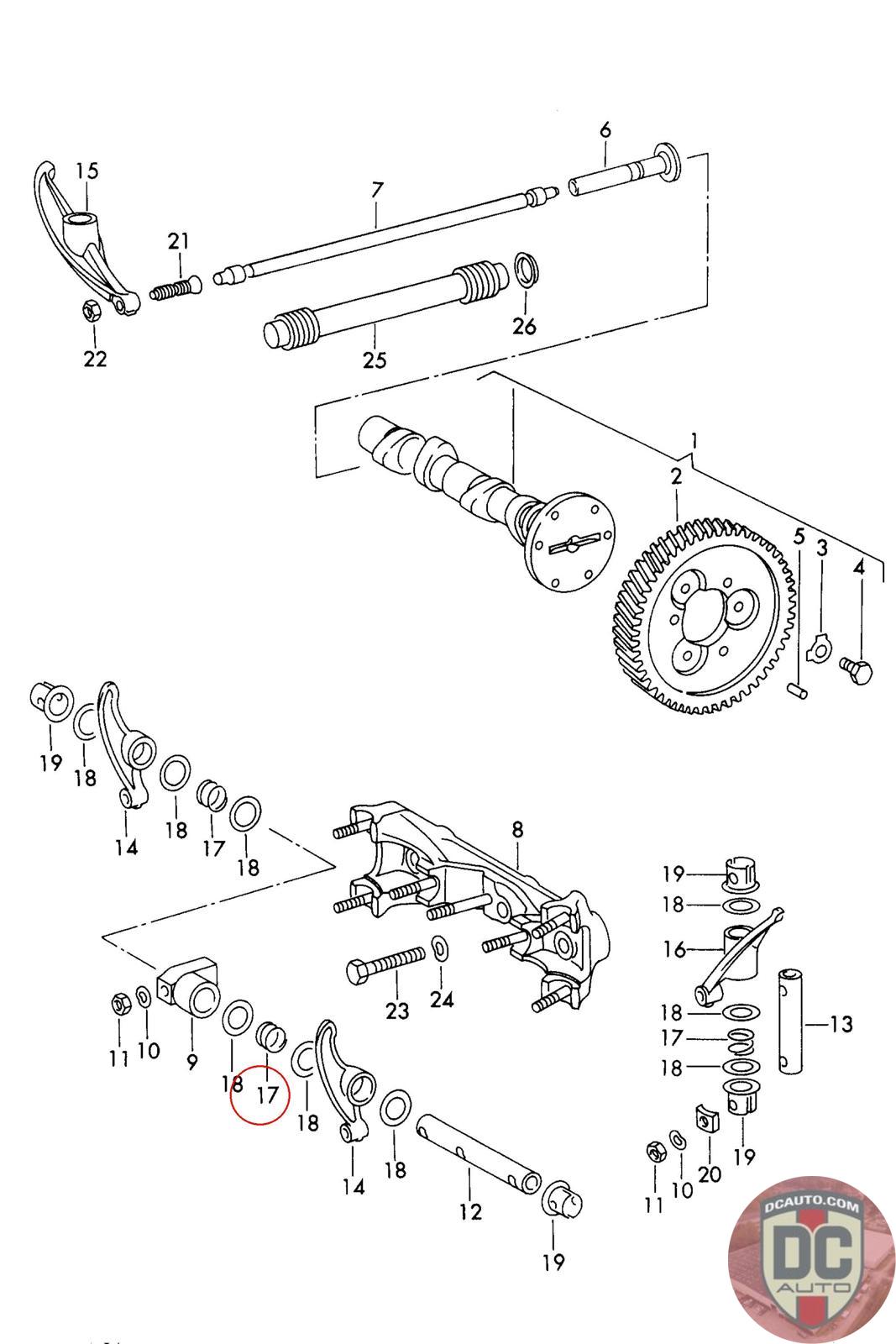
61610533100
SPRING, SUPERSEDED TO PCG10533100
616 105 331 00
SELECT
PART NO
61610533100
DESCRIPTION
Note this is a special order item, delivery estimate 1-2 weeks.
CONDITION
NEW - GENUINE PORSCHE
MANUFACTURER
-
PRICE
$5.97
QTY
Available: 999
61610533100
Note this is a special order item, delivery estimate 1-2 weeks.
NEW - GENUINE PORSCHE
-
$
5.97
Available: 999