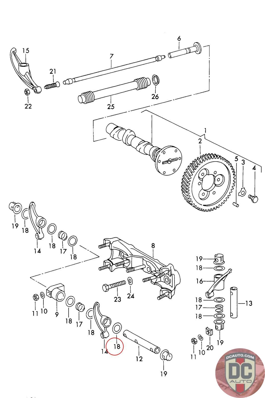
53905237
THRUST WASHER, 0.60MM
5 390 523 7
SELECT
PART NO
53905237
DESCRIPTION
Note this is a special order item, delivery estimate 1-2 weeks.
CONDITION
NEW - GENUINE PORSCHE
MANUFACTURER
-
PRICE
$6.97
QTY
Available: 999
53905237
Note this is a special order item, delivery estimate 1-2 weeks.
NEW - GENUINE PORSCHE
-
$
6.97
Available: 999